

圆形防护罩外用橡胶尼龙内加PVC片式钢丝圈支撑可防尘、水、油,外形美观,可在高温110。C低温-40。C之间正常使用,直径大小,行程长短可根据用记要安排生产。
①在两边有一层紧硬的保护环
②焊接口和缝合线
③聚氯乙烯支撑环;每折一片
④圆护罩支撑钢丝圈
⑤平的边缘
⑥颈口
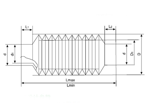
丝杠护罩设计参数:
| 代号 | 名称 | 数据 | 备注 | 代号 | 名称 | 数据 | 备注 |
| Lmax | 拉伸后长度 |
|
| D | 外圈直径 |
| 橡胶 |
| Lmin | 收缩后长度 |
|
| D1 | 内圈直径 |
| 用户自定 |
| L1 | 下部连接长度 |
|
| d | 连接处外径 |
|
|
| L2 | 上部连接长度 |
|
| d1 | 连接处内径 |
|
|
广东异型防护罩 江苏异型防护罩